|
¡ôProduct structural features: Sleeve type soft sealing plug valve acc.DIN is applicable to the cutting and connection of pipelines medium that are used in various industries such as petroleum.chemical industyy etc under nominal pressur of PN1.6-16MPa and working temperaturd of -29-180¡æ. ¡ôMain structural features: 1¡¢The produt thas reasonable structure,reliable sealing,excelent performance and beautiful appearance
2¡¢Its sealing is realized by the sealing face around sleeve it has unique 360 degree metal edge for protection and fixing of clipping cover.
3¡¢There is no cavity in the valve for accumulation of medium.
4¡¢Metal edge provides the funtion of self-cleaning when the plug is rotated applicable to the operation condition that is glutious and apttosmudge.
5¡¢Its characteristic double-dircction flow makes installation and use more convenient.
6¡¢The materials of the parts and sizes of flanges can be reasonably configured according the actual operation condition of the requiements of the custiomers.so as to meet the variious needs of engineering. |
|
¡ôThechnical specificastion |
|
Structural formatian |
BC |
|
Driving manner |
Wrench wheel,Worm & worm gear¡¢pneumatic,electric-actuated |
|
Design standard |
API599£¬API6D |
|
Face to face |
DIN 3202F1 |
|
Flange end |
DIN 2543-2549 |
|
Test &inspection |
DIN3230 |
|
Note:The size of serial valve connecting flange can be designed according to customers,repuirement |
|
¡ôProducts performance specification |
|
£¨MPa£©Nominal pressure |
£¨MPa£©Shell test |
£¨MPa£©Sealing test |
Suitable temp |
Suitable madium |
|
1.6 |
2.4 |
1.76 |
¡Ü180¡æ |
Water oil&gas |
|
2.5 |
3.75 |
2.75 |
|
4.0 |
6.0 |
4.4 |
|
6.4 |
9.6 |
7.04 |
|
10.0 |
15.0 |
11.0 |
|
16.0 |
24.0 |
17.6 |
|
|
NO. |
Part name |
Material |
|
1 |
Body |
GS-C25 1.7363 1.4308¡¢1.4408¡¢1.4306¡¢1.4301 |
|
2 |
Sleeve |
PTFE |
|
3 |
Plug |
ASTM A182-Gr.F6a ASTM A182-F22 ASTM A182-F304,F316,F321,F304L,F316L |
|
4 |
Gasket |
Flexible graphite+stainless steel¡¢PTFE |
|
5 |
Adjusting gasket |
ASTM A182-Gr.F6a ASTM A182-F22 ASTM A182-F304,F316,F321,F304L,F316L |
|
6 |
Cover |
GS-C25 1.7363 1.4308¡¢1.4408¡¢1.4306¡¢1.4301 |
|
7 |
Adjusting bolt |
ASTM A193-B7,A320-B8,A193-B8M |
|
8 |
Nut |
ASTM A194-2H,A194-8,A194-8M |
|
9 |
Bolt |
ASTM A193-B7,A320-B8,A913-B8M |
|
10 |
Yoke |
Q235¡¢WCB |
|
11 |
Worn |
|
|
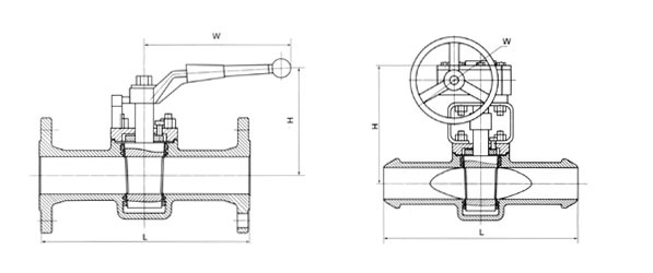
Model |
YDDX43-16 |
|
Pressure |
PN16 |
|
size |
15 |
20 |
25 |
32 |
40 |
50 |
65 |
80 |
100 |
125 |
150 |
200 |
250 |
300 |
350 |
|
L |
130 |
150 |
160 |
180 |
200 |
230 |
290 |
310 |
350 |
400 |
480 |
600 |
730 |
850 |
980 |
|
H |
150 |
155 |
160 |
180 |
190 |
200 |
220 |
230 |
380 |
460 |
520 |
580 |
620 |
680 |
740 |
|
W |
300 |
300 |
300 |
350 |
400 |
500 |
500 |
550 |
300 |
300 |
320 |
320 |
350 |
380 |
380 |
|
£¨kg£©Weight |
9 |
10 |
11 |
13 |
14 |
19 |
23 |
27 |
43 |
62 |
75 |
155 |
222 |
390 |
580 |
|
model |
YDDX43-25 |
|
pressure |
PN25 |
|
size |
15 |
20 |
25 |
32 |
40 |
50 |
65 |
80 |
100 |
125 |
150 |
200 |
250 |
300 |
350 |
|
L |
130 |
150 |
160 |
180 |
200 |
230 |
290 |
310 |
350 |
400 |
480 |
600 |
730 |
850 |
980 |
|
H |
150 |
155 |
160 |
180 |
190 |
200 |
220 |
230 |
380 |
460 |
520 |
580 |
620 |
680 |
740 |
|
W |
300 |
300 |
300 |
350 |
400 |
500 |
500 |
550 |
300 |
300 |
320 |
320 |
350 |
380 |
380 |
|
£¨kg£©Weight |
10 |
11 |
13 |
15 |
17 |
22 |
31 |
55 |
77 |
88 |
190 |
190 |
235 |
399 |
630 |
|
Model |
YDDX43-40 |
|
Pressure |
PN40 |
|
Size |
15 |
20 |
25 |
32 |
40 |
50 |
65 |
80 |
100 |
125 |
150 |
200 |
250 |
300 |
350 |
|
L |
130 |
150 |
160 |
180 |
200 |
230 |
290 |
310 |
350 |
400 |
480 |
600 |
730 |
850 |
980 |
|
H |
190 |
195 |
225 |
260 |
280 |
310 |
340 |
395 |
435 |
470 |
535 |
590 |
630 |
680 |
720 |
|
W |
120 |
140 |
140 |
180 |
200 |
220 |
260 |
280 |
300 |
340 |
400 |
450 |
450 |
500 |
500 |
|
£¨kg£©Weight |
12 |
14 |
18 |
21 |
24 |
29 |
33 |
39 |
75 |
103 |
146 |
251 |
337 |
521 |
720 |

|
Model |
YDDX43-64 |
|
Pressure |
PN64 |
|
size |
15 |
20 |
25 |
32 |
40 |
50 |
65 |
80 |
100 |
125 |
150 |
200 |
250 |
300 |
350 |
|
L |
130 |
150 |
160 |
180 |
200 |
230 |
290 |
310 |
350 |
400 |
480 |
600 |
730 |
850 |
980 |
|
H |
190 |
195 |
225 |
260 |
280 |
310 |
340 |
395 |
435 |
470 |
535 |
590 |
630 |
680 |
720 |
|
W |
120 |
140 |
140 |
180 |
200 |
220 |
260 |
280 |
300 |
340 |
400 |
450 |
450 |
500 |
500 |
|
£¨kg£©Weight |
14 |
17 |
22 |
25 |
29 |
34 |
43 |
50 |
94 |
123 |
170 |
291 |
430 |
625 |
875 |
|