
First , use and characteristic:
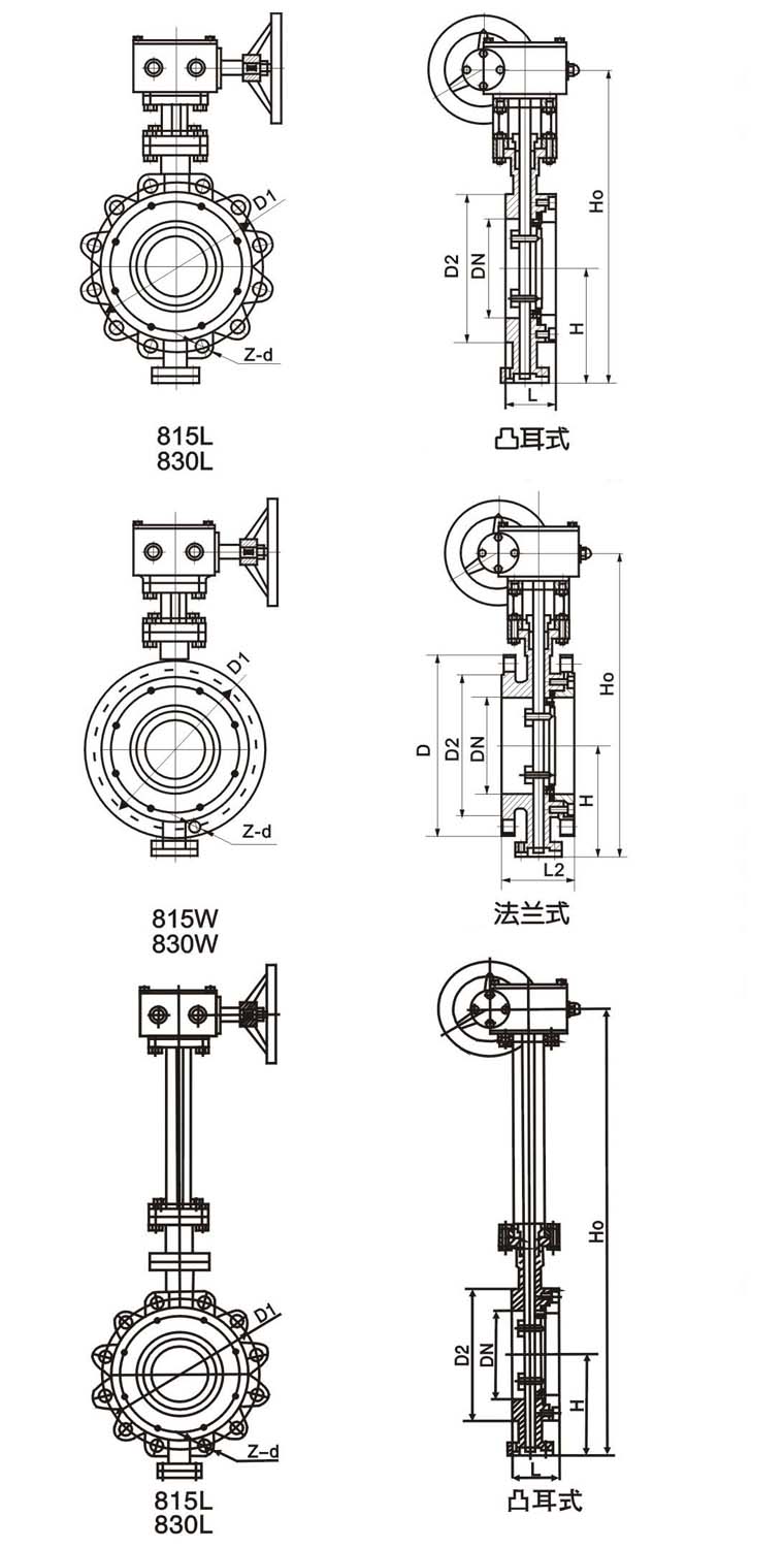
815, 830, the main structure characteristics of serial butterfly's valves are right inserting type and flange type three partial structure, and 815,, 830L series butterfly main structure of valve characteristic week such as body such as valve sideband lug is it bring spiral shell hole flange's structure of forms to design. 815, 83 serial butterfly's valves are applied to the petroleum , chemical industry , industrial environmental protection water treatment , skyscraper extensively, give and drain off water etc. it jointly on the pipeline.
Its characteristic: Because it was three partial structure that adopted, airtight performance is reliable , butterfly's board does not contact the sealed seat when guaranteeing to open, dispel sealed seat uniform load , lengthen service life , guarantee the reliable sealing property, able to bear warm , wear-resisting advantages of decrease , corrosion-resistanting etc..
U.S.A. marks it to inserting, one pair of flange type hard sealed butterfly's valves of metal /To inserting , single flange type sealed butterfly's valve of fluoroplastics


Second, adopt the standard:
Design standard: APl609-83
The flange connects size: ANSIB16. 5
Length of structure : ANSlB16.10-1992
The pressure is tested: API598-82
Third, main technical parameter:
|
Nominal and open directly |
DN(mm) |
830W |
830L |
|
2" -36" |
2" -36" |
|
Nominal pressure Nominal pressure |
PN(MPa) |
150Lb |
300Lb |
|
Test pressure Ps (MPa) |
The intensity testing |
3.0 |
7.5 |
|
Seal and test |
2.2 |
5.5 |
|
Suitable medium |
Water , steam , oil , sea water ,etc. |
|
Suitable temperature |
-29-425 degrees Centigrade |
Fourth, material of the major part:
|
A name of Yu |
Material |
|
The valve has body |
WCB, 304,31 6,31 6SS, CF8M |
|
Butterfly's board |
WCB, 304, 31 6 , 31 6SS, CF8M |
|
Valve stem |
316, 2Crl3 , 1Crl8Ni9Ti |
|
Seal and enclose |
31 6 , fluoroplastics |
|
Packing |
Soft graphite , fluoroplastics |
Fifth, extend the pole and mark butterfly's valve beautifully 815W is API815W :
|
Nominal and open directly DN |
Length of structure (standard value) |
External dimension ( consulting value) |
Connect size (standard value) |
Consult weight |
|
L |
L1 |
H |
H0 |
D |
D1 |
D2 |
M |
Z. d |
|
Inch |
Mm. |
Inch |
Mm. |
Inch |
Mm. |
Inch |
Mm. |
Inch |
Mm. |
Inch |
Mm. |
Inch |
Mm. |
Inch |
Mm. |
|
2" |
50 |
1.69 |
43 |
4.25 |
108 |
4.33 |
110 |
13.58 |
345 |
6.00 |
152 |
4.75 |
120.5 |
3.62 |
92 |
M18 |
4-19 |
9 |
20 |
|
21/2" |
65 |
1.69 |
46 |
4.40 |
112 |
4.64 |
118 |
14.25 |
362 |
7.00 |
178 |
5.49 |
139.5 |
4.13 |
105 |
M18 |
4-19 |
10 |
25 |
|
3" |
80 |
1.94 |
48 |
4.50 |
114 |
4.92 |
125 |
14.96 |
380 |
8.50 |
190 |
6.00 |
152.5 |
5.00 |
127 |
M18 |
4-19 |
11 |
29 |
|
4" |
100 |
2.19 |
54 |
5.00 |
127 |
5.70 |
145 |
16.34 |
415 |
9.00 |
229 |
7.50 |
190.5 |
6.19 |
157 |
M18 |
8-19 |
13 |
33 |
|
5" |
125 |
2.50 |
55 |
5.50 |
140 |
6.50 |
165 |
17.91 |
455 |
10.00 |
254 |
8.50 |
216 |
7.32 |
186 |
M20 |
8-22 |
16 |
38 |
|
6" |
150 |
2.75 |
57 |
5.50 |
140 |
6.89 |
175 |
21.45 |
545 |
11.00 |
279 |
9.50 |
241.5 |
8.50 |
216 |
M20 |
8-22 |
26 |
74 |
|
8" |
200 |
2.81 |
64 |
5.90 |
150 |
8.26 |
210 |
24.21 |
645 |
13.50 |
343 |
11.75 |
298.5 |
10.62 |
270 |
M20 |
8-22 |
34 |
86 |
|
10" |
250 |
3.00 |
71 |
6.30 |
160 |
9.84 |
250 |
27.36 |
695 |
16.00 |
406 |
14.25 |
362 |
12.75 |
324 |
M22 |
12-25 |
51 |
142 |
|
12" |
300 |
3.18 |
81 |
7.00 |
178 |
11.24 |
285 |
32.78 |
830 |
19.00 |
483 |
17.00 |
432 |
15.00 |
381 |
M22 |
12-25 |
72 |
167 |
|
14" |
350 |
3.63 |
92 |
7.50 |
190 |
12.60 |
320 |
35.43 |
900 |
21.00 |
533 |
18.75 |
476 |
16.25 |
413 |
M27 |
12-29 |
106 |
218 |
|
16" |
400 |
4.00 |
102 |
8.50 |
216 |
13.98 |
355 |
38.58 |
980 |
23.50 |
597 |
21.25 |
540 |
18.50 |
470 |
M27 |
16-29 |
133 |
275 |
|
18" |
450 |
4.50 |
114 |
8.74 |
222 |
14.96 |
380 |
40.55 |
1030 |
25.00 |
635 |
22.75 |
578 |
21.00 |
533 |
M30 |
16-32 |
176 |
315 |
|
20" |
500 |
5.00 |
127 |
9.00 |
229 |
16.34 |
415 |
43.70 |
1110 |
27.50 |
699 |
25.00 |
635 |
23.00 |
584 |
M30 |
20-32 |
190 |
395 |
|
2" |
600 |
6.06 |
154 |
10.50 |
267 |
18.70 |
475 |
51.37 |
1305 |
32.00 |
813 |
29.50 |
749.5 |
27.25 |
692 |
M33 |
20-35 |
394 |
580 |
|
30" |
750 |
6.50 |
165 |
11.50 |
292 |
22.38 |
580 |
60.03 |
1525 |
38.75 |
985 |
36.00 |
914 |
33.75 |
857 |
M33 |
28-35 |
476 |
717 |
|
32" |
800 |
7.50 |
190 |
12.50 |
318 |
24.80 |
630 |
62.40 |
1585 |
41.75 |
1060 |
38.50 |
978 |
36.00 |
914 |
M39 |
28-41 |
618 |
880 |
|
36" |
900 |
8.00 |
200 |
13.00 |
330 |
26.77 |
680 |
69.48 |
1765 |
46.00 |
1168 |
42.75 |
1085 |
40.25 |
1022 |
M39 |
32-41 |
762 |
1042 |