


Product range£ºJIS¡¢ANSI Check Valve
Product model£ºH41W(H)
Nominal Size £º1/2¡±-20¡±
Pressure Nominal£º150Lb-600Lb 10K-40K
Body nmaterial £ºWCB¡¢CF8¡¢CF8M¡¢CF3¡¢CF3M
Application standard
Construction length ANSI B16.10 Design Standard API6D&BS1868
Flange Size ANSI B16.5 quality Standard API598
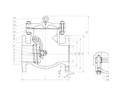
Main parts materials
|
NO. |
element range |
Qty. |
nmaterial |
NO. |
element range |
Qty. |
nmaterial |
|
1 |
Body |
1 |
WCB |
9 |
Data plate |
1 |
304 |
|
2 |
valve seat |
2 |
A105+HF |
10 |
shim |
1 |
304stainless steel+elasticgraphite |
|
3 |
Split nut |
1 |
WCB+F6 |
11 |
Bonnet |
1 |
WCB |
|
4 |
Stem |
1 |
WCB |
12 |
Stud |
|
A193 B7 |
|
5 |
shim |
1 |
A276 410 |
13 |
nut |
|
A194 2H |
|
6 |
nut |
1 |
A276 410 |
14 |
bolt |
1 |
A29 1035 |
|
7 |
Hinge pin |
1 |
A276 410 |
15 |
shim |
1 |
1008 |
|
8 |
rivet |
2 |
304 |
16 |
Thread plug |
1 |
A276 410 |
Main dimensiors and weight
|
NPS |
in |
2 |
2-1/2 |
3 |
4 |
5 |
6 |
8 |
10 |
12 |
14 |
16 |
18 |
20 |
|
|
mm |
51 |
64 |
76 |
102 |
127 |
152 |
203 |
254 |
305 |
337 |
387 |
438 |
489 |
| |
|
L-L1 |
in |
8.00 |
8.50 |
9.50 |
11.50 |
13.00 |
14.00 |
19.50 |
24.50 |
27.50 |
31.00 |
34.00 |
38.50 |
38.50 |
|
|
mm |
203 |
216 |
241 |
292 |
330 |
356 |
495 |
622 |
698 |
787 |
864 |
978 |
978 |
| |
|
L2 |
in |
8.50 |
9.00 |
10.00 |
12.00 |
13.50 |
14.50 |
20.00 |
25.00 |
28.00 |
31.50 |
34.50 |
39.00 |
39.00 |
|
|
mm |
216 |
229 |
254 |
305 |
343 |
368 |
508 |
635 |
711 |
800 |
876 |
991 |
991 |
| |
|
d1 |
in |
3.62 |
4.13 |
5.00 |
6.18 |
7.32 |
8.50 |
10.63 |
12.76 |
15.00 |
16.26 |
18.50 |
20.98 |
22.99 |
|
|
mm |
92 |
105 |
127 |
157 |
186 |
216 |
270 |
324 |
381 |
413 |
470 |
533 |
584 |
| |
|
d2 |
in |
4.75 |
5.50 |
6.00 |
7.50 |
8.50 |
9.50 |
11.75 |
14.25 |
17.00 |
18.75 |
21.25 |
22.75 |
25.00 |
|
|
mm |
120.5 |
139.5 |
152.5 |
190.5 |
216 |
241.5 |
298.5 |
362 |
432 |
476 |
540 |
578 |
635 |
| |
|
D |
in |
6.00 |
7.00 |
7.50 |
9.00 |
10.00 |
11.00 |
13.50 |
16.00 |
19.00 |
21.00 |
23.50 |
25.00 |
27.50 |
|
|
mm |
152 |
178 |
190 |
229 |
254 |
279 |
343 |
406 |
483 |
533 |
597 |
635 |
699 |
| |
|
b |
in |
0.75 |
0.88 |
0.94 |
0.94 |
0.94 |
1.00 |
1.13 |
1.19 |
1.25 |
1.38 |
1.44 |
1.56 |
1.69 |
|
|
mm |
16 |
17.5 |
19 |
24 |
25 |
26 |
29 |
31 |
32 |
35 |
37 |
40 |
43 |
| |
|
n-¦µd |
in |
4-0.75 |
4-0.75 |
4-0.75 |
8-0.75 |
80.87 |
-0.87 |
8-0.87 |
12-1.00 |
12-1.00 |
12-1.13 |
16-1.13 |
16-1.25 |
20-1.25 |
|
|
mm |
4-19 |
4-19 |
4-19 |
8-19 |
8-22 |
8-22 |
8-22 |
12-25 |
12-25 |
12-29 |
16-29 |
16-32 |
20-32 |
| |
|
H |
in |
5.31 |
6.10 |
6.61 |
9.37 |
9-80 |
10.91 |
13.35 |
15.67 |
20.67 |
21.77 |
22-99 |
26.30 |
28.03 |
|
|
mm |
135 |
155 |
168 |
235 |
249 |
277 |
339 |
398 |
525 |
553 |
584 |
688 |
712 |
| |
|
WT(kg) |
BF |
17 |
21 |
29 |
42 |
69 |
74 |
108 |
177 |
282 |
372 |
570 |
665 |
900 |
|
|
BW |
13 |
17 |
24 |
36 |
57 |
62 |
96 |
158 |
238 |
324 |
483 |
48 |
782 |
|