| Product introduction: |
 
|
|
|
|
|
|
Suitable medium |
|
|
|
The liquid sealing |
|
ZSRW -10 |
|
|
1.1 |
Water , gas , oil ,etc. do not have corrosivity medium |
Confirm according to the variety of rubber ( ≤ 60- 13 degrees Centigrade) |
|
|
|
|
1.76 | |
|
|
|
|
|
|
Valve stem |
The valve body sealing and enclosing |
Bush |
|
Material |
Gray casting iron , nodular cast iron |
Nodular cast iron ( The surface is plated the hard chromium ) , copper alloy , stainless steel |
Chromium stainless steel |
Phenol aldehyde and resin or the aluminium alloy line with the cube nitrile rubber , able to bear the oil rubber , third rubber of second , Fluorine rubber |
Copper alloy or the copper carry and frit four Fluorine | |
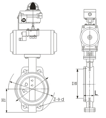
| ZSRW Main size of the type | |
|
Nominal Open DN directly (mm) |
Size ( mm) |
Weight ( kg) |
|
L |
D |
Z- Φ d |
H1 |
H2 |
A |
B |
B1 |
|
PN1.0MPa |
PN1.6MPa |
PN1.0MPa |
PN1.6MPa |
|
50 |
43 |
125 |
125 |
4- Φ 18 |
4- Φ 18 |
70 |
235 |
196 |
125 |
59 |
10 |
|
65 |
46 |
145 |
145 |
4- Φ 18 |
4- Φ 18 |
78 |
247 |
196 |
125 |
59 |
11 |
|
80 |
46 |
160 |
160 |
4- Φ 18 |
8- Φ 18 |
88 |
257 |
196 |
125 |
59 |
12 |
|
100 |
52 |
180 |
180 |
8- Φ 18 |
8- Φ 18 |
110 |
294 |
226 |
152 |
92 |
16 |
|
125 |
56 |
210 |
210 |
8- Φ 18 |
8- Φ 18 |
132 |
318 |
226 |
152 |
92 |
18 |
150  |
56  |
240 |
240 |
 8- Φ 23 |
 8- Φ 23 |
146  |
338  |
226  |
152  |
92  |
20 |
|
200 |
60 |
295 |
295 |
8- Φ 23 |
12- Φ 23 |
217 |
430 |
470 |
230 |
195 |
35 |
|
250 |
68 |
350 |
355 |
12- Φ 23 |
12- Φ 26 |
252 |
470 |
470 |
230 |
195 |
40 |
|
300 |
78 |
400 |
410 |
12- Φ 23 |
12- Φ 26 |
283 |
504 |
470 |
230 |
195 |
60 |
|
350 |
78 |
460 |
460 |
16- Φ 23 |
16- Φ 26 |
308 |
545 |
470 |
230 |
195 |
80 |
|
400 |
102 |
515 |
515 |
12- Φ 25 |
16- Φ 30 |
348 |
590 |
610 |
298 |
235 |
100 |
|
450 |
114 |
565 |
|
20- Φ 25 |
|
373 |
623 |
610 |
298 |
235 |
120 |
|
500 |
127 |
620 |
|
20- Φ 25 |
|
408 |
660 |
610 |
298 |
235 |
140 |
|
600 |
154 |
725 |
|
20- Φ 30 |
|
474 |
|
698 |
382 |
|
200 | | |