 
Characteristic of the valve
|
Flange: UNI2223 and 2229 PN16 DIN2501 BL.1 UNI (PN25-40-64-100 ) deliver stainless steel ANSIB16.5 as requested - Stainless steel ANSIB16.10 (150 RF , 300 RF , 600 RF ) Specification in common use : BS 5351 (" fire prevention " As requested follow BS 6755) Working temperature: -From 20 degrees Centigrade to +450 degrees Centigrade (+280 degrees Centigrade of special PPL are sealed). Working pressure: PN16, PN25 - PN40 - PN64 (as requested deliver ) Fluid range: Air , water , gas , petroleum , petrochemical industry products , corrosivity medium. The valve with muff as requested delivers |
|
| Valve material |
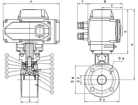
| 1)Axle Shaft |
Stainless steel ANSI316 |
1.4401 |
UNIX5CrNiMo 17 12 |
| 2)Double-layered Nut holder of nut |
Stainless steel ANSI304 |
1.4301 |
UNIX5CrNi 18 10 |
| 3)Locking nut Lock nut |
Stainless steel ANSI304 |
1.4301 |
UNIX5CrNi 18 10 |
| 4)Spring Spring |
Stainless steel ANSI301 |
1.4310 |
UNIX12CrNi 17 07 |
| 5)Washer Washer |
Stainless steel ANSI304 |
1.4301 |
UNIX5CrNi 18 10 |
| 6)Compress tightly ring type nut Gland nut ring |
Stainless steel ANSI304 |
1.4301 |
UNIX5CrNi 18 10 |
| 7)The top sealing To p sealing ** |
Gather four chlorine ethylene P.T.F.Es. |
|
|
| 8)O surrounds O-Ring ** |
Fluorine rubber VITON |
|
|
| 9)Seal and enclose Seals |
Gather four chlorine ethylene P.T.F.Es. |
|
|
| 10)O surrounds O-Ring |
Fluorine rubber VITON |
|
|
| 11)Ring type sealed Ring nut sealing of nut |
Gather four chlorine ethylene P.T.F.Es. |
|
|
| 12)Sealed Bot of bottom is to m sealing |
Gather four chlorine ethylene P.T.F.Es. |
|
|
| 13)Ring type nut Ring nut * |
Stainless steel ANSI316 |
1.4401 |
UNIX5CrNiMo 17 12 |
| 14)Spheroid Ball * |
Stainless steel ANSI316 |
1.4401 |
UNIX5CrNiMo 17 12 |
| 15)The valve has body Body * |
Stainless steel ANSI316 |
1.4408 |
|
*304 offering on request of stainless steel **DN 125 - 150 Do not have O ring to seal to gather four chlorine ethylene. |
Size form
|
|
|
|
|
|
|
|
|
|
|
| Diameter |
mm. |
15 |
20 |
25 |
32 |
40 |
50 |
65 |
80 |
100 |
| Size |
mm. |
DN15 |
DN20 |
DN25 |
DN32 |
DN40 |
DN50 |
DN65 |
DN80 |
DN100 |
| Open directly |
mm. |
15 |
20 |
25 |
32 |
40 |
50 |
65 |
80 |
100 |
| A |
mm. |
207,5 |
207,5 |
207,5 |
207,5 |
256,5 |
256,5 |
256,5 |
256,5 |
381 |
| B |
mm. |
122,5 |
122,5 |
122,5 |
122,5 |
156,5 |
156,5 |
156,5 |
156,5 |
242 |
| C |
mm. |
68 |
68 |
68 |
68 |
94 |
94 |
94 |
94 |
137 |
| D |
mm. |
163,5 |
163,5 |
163,5 |
163,5 |
185 |
185 |
185 |
185 |
234 |
| X |
mm. |
44 |
44 |
44 |
44 |
44 |
44 |
44 |
44 |
44 |
| E |
mm. |
35 |
38 |
42 |
50 |
60 |
70 |
95 |
118 |
140 |
| Φ G |
mm. |
90 |
100 |
110 |
130 |
140 |
165 |
185 |
200 |
220 |
| Φ M |
mm. |
65 |
75 |
85 |
100 |
110 |
125 |
145 |
160 |
180 |
| Φ N |
mm. |
M 12/4 |
M 12/4 |
M 12/4 |
M 16/4 |
M 16/4 |
M 16/4 |
M 16/4 |
M 16/8 |
M 16/8 |
| Φ R |
GAS |
1/8" |
1/8" |
1/8" |
1/8" |
1/8" |
1/8" |
1/8" |
1/8" |
1/8" |
| T. of cycle 50/60 Hz |
s. |
15-12,5 |
15-12,5 |
15-12,5 |
15-12,5 |
15-12,5 |
15-12,5 |
15-12,5 |
15-12,5 |
15-12,5 |
| H |
mm. |
234,5 |
237,5 |
243 |
249,5 |
295 |
302 |
325 |
335 |
395 |
| Weight |
Kg. |
6,7 |
7,3 |
7,9 |
9,3 |
15,4 |
15 |
19,7 |
29,3 |
44,9 | |